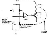
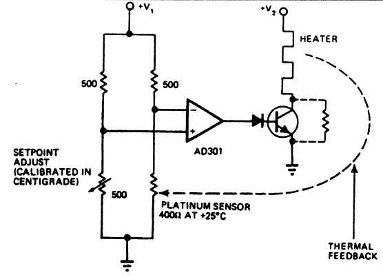
Регулятор с компаратором на операционном усилителе с точностью до 0,01 °С
В мостовой схеме регулятора используется платиновый датчик. Сигнал с моста снимается операционным усилителем AD301. который включен как дифференциальный усилитель-компаратор. В холодном состоянии сопротивление датчика менее 500 Ом, при этом выход операционного усилителя приходит в насыщение и дает положительный сигнал на выходе, который открывает мощный транзистор и нагревательный элемент начинает греться. По мере нагревания элемента растет и сопротивление датчика, которое возвращает мост в состояние уравновешивания, и нагрев выключается.

Регулятор для электроплиток
Дозирующий регулятор
Регулирование температуры печи
Регулятор температуры печи от 75 до 250 °С
Семисторный регулятор для нагревателя
Регулятор с диодным датчиком
Пропорциональный регулятор хлебопекарной печи
Регулятор с точностью до 0,001 °С
Регулятор с временным пропорциональным регулированием
Регистратор разницы температур
Регулятор для термостата кварцевого резонатора
Тиристорный регулятор с импульсно-фазовым управлением
Переключатель с малой мощностью рассеивания
Термопара с переключателем, срабатывающем при переходе питающего напряжения через нуль
Регулятор для отопления помещения
Термостат на температуру 75 °С для кварцевого резонатора
Регулятор температуры для ванны с точностью до 0,000075 °С
Нагреватель с фазовым регулированием и без электромагнитных помех
Датчик для тепловых циклов
Детектор разницы температур
Регулятор температуры нагревателя печи с точностью до 0,0000033 °С
Регулятор, использующий измерительный мосте позистором
Опережающий регулятор
Коррекция перегрузки
Термостат для кварцевого резонатора
Регулятор с компаратором на операционном усилителе с точностью ±1°